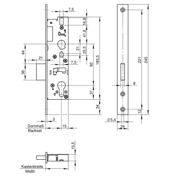
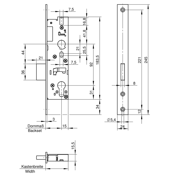
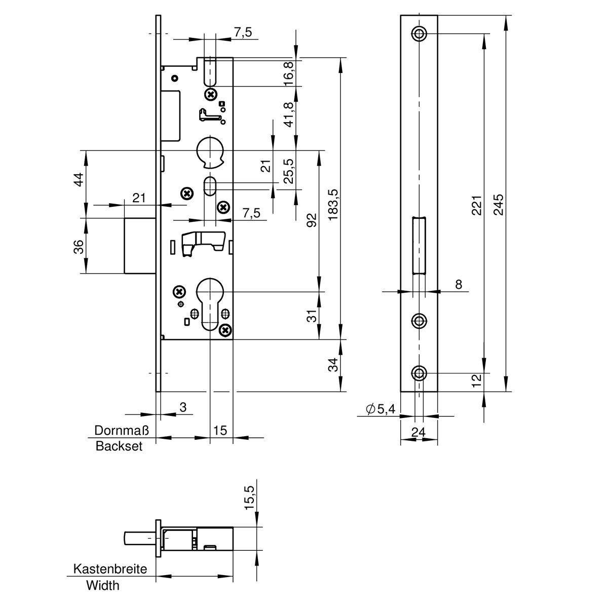
Einsteck-Riegelschloss für Rohrrahmentüren
für Profilzylinder vorgerichtet
Standardausführung:
Dornmaß: 25 mm
Entfernung: 92 mm
Stulp: 24 x 245 mm, Edelstahl
Schlosskasten: geschlossen, verzinkt
Riegel: vernickelt
Schließarten:
PZ: Zylinderschloß vorgerichtet für Profilzylinder
1-tourig, 20 mm Riegelausschluss
Lieferbare Dornmaße: (Kastenbreiten)
25 (40), 30 (45), 35 (50), 40 (55), 45 (60) mm
Sonderausführungen (auf Anfrage):
- Riegel 3 mm oder 5 mm vorstehend
- Stulp Edelstahl rostfrei, Riegel vernickelt
- Flachstulp 16 mm, 20 mm oder 22 mm
- U-Stulp 22 mm oder 24 mm
- vorgerichtet für Schweizer Rundzylinder (RZ 22)
- Riegelüberwachung inkl. 10 m Kabel
Zulassungen:
Zertifiziert nach EN 12 209.