Mit verzinktem Schloss Nr. 143U
Rechts und links verwendbar durch umdrehbaren Fallenkopf.
Wahlweise vorgerichtet für Profilzylinder (PZ),
Schweizer Rundzylinder (RZ)
oder für Buntbart-Nachrüstsatz.
Mit Wechsel.
Fakten:
- Dorn 40 mm
- Tour 1-tourig
- Nuss 8 mm
- Entfernung PZ 72 mm
- Entfernung RZ 74 mm
- Falle vorstehend 2 mm
- Riegel vorstehend 3 mm
Lieferumfang:
Schloss verzinkt
Drückerrosetten-Satz Nr. 494
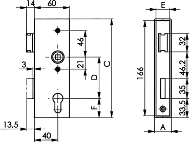
Siehe Zeichnung !
| Für Kastenbreite |
Schließung |
C in mm |
D in mm |
E in mm |
F in mm |
Materialdicke in mm |
| 30 mm |
PZW |
172 |
72 |
24 |
33,5 |
2,5 |
| 30 mm |
RZW |
172 |
74 |
24 |
31,5 |
2,5 |
| 40 mm |
PZW |
173 |
72 |
33 |
34,0 |
3,0 |
| 40 mm |
RZW |
173 |
74 |
33 |
32,0 |
3,0 |
| |
|
|
|
|
|
|