Hochwertiges Objekt-Einsteckschloss mit Flüsterfalle
in gewohnter BMH Qualität
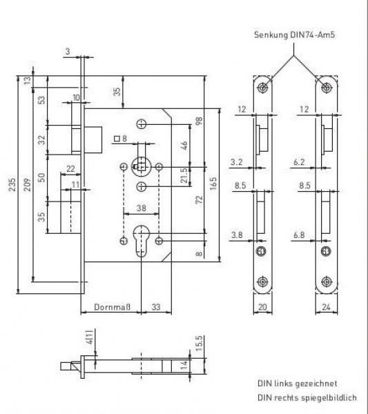
Nach DIN 18251 - Klasse 3
Standardausführung:
Dornmaß: 55 mm
Entfernung: 72 mm
Nuss: 8 mm Feder-Klemmnuss, Sintermetall
Stulp: 20 bzw. 24 x 235 mm, Edelstahl
Falz* oder Stumpf*, rund oder käntig
Schlosskasten: geschlossen, verzinkt mit Zuhaltungssicherung
Falle: Stahl, vernickelt bzw. verzinkt
Riegel: Stahl, vernickelt bzw. verzinkt
Schließarten:
PZW: Zylinderschloß vorgerichtet für Profilzylinder, mit Wechsel, 2-tourig
Lieferbare Dornmaße:
55, 60, 65
Erklärung "Falz / Stumpf"
Eine herkömmliche Tür hat einen Falz,
im Gegensatz dazu werden stumpf einschlagende Türen so verbaut,
dass Blatt und Zarge eine glatte Fläche bilden.