Hochwertiges Einsteckschloss
für Holz- und Stahltüren
und Feuerschutzabschlüsse
Nach DIN 18250 - Klasse 4
Standardausführung:
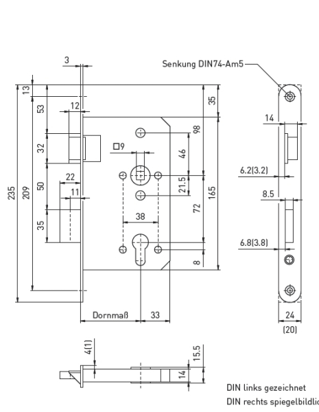
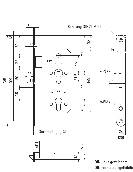
Dornmaß: 65 mm
Entfernung: 72 mm
Stulp: 20 bzw. 24 x 235 mm, verzinkt oder Edelstahl
Schlosskasten: geschlossen, verzinkt
Falle: Stahl, vernickelt
Riegel: Stahl, vernickelt
Nuss: 9 mm
Schließarten:
PZW: Zylinderschloß vorgerichtet für Profilzylinder, mit Wechsel, 2-tourig
Lieferbare Dornmaße:
55, 60, 65, 80, 100 - und andere auf Anfrage
Sonderausführungen: (auf Anfrage: info@raatz-gmbh.de)
- 9 mm Feder-Klemmnuss
- Fallenschloss, Riegelschloss
- BB gleichschließend
- Kurbelfalle