Mit verzinktem Schloss Nr. 142D
Rechts und links verwendbar durch umdrehbaren Fallenkopf.
Vorgerichtet für Profilzylinder (PZ)
Mit Wechsel.
Anwendung:
Die praktische Lösung für Anlagen, zu denen zwei Personen(gruppen) unabhängig voneinander Zutritt haben sollen:
zum Beispiel Feuerwehrzufahrten oder Müllbehältereinzäunungen.
Der Schlosskasten mit zwei Profilzylindern erlaubt Feuerwehr bzw. Entsorgern den Zugang
per Generalschlüssel - und kann zugleich in die normale Schließanlage eingebunden werden.
Hinweis:
Einbau von zwei Profilzylindern notwendig, die getrennt voneinander betätigt werden können
Schließbartstellung bis 45°
Fakten:
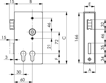
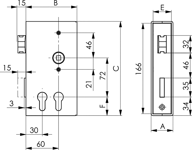
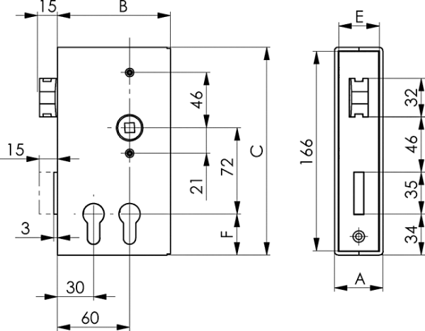
- Dorn 30 und 60 mm
- Tour 1-tourig
- Nuss 8 mm
- Entfernung PZ 72 mm
Lieferumfang:
Schloss verzinkt
Drückerrosetten-Satz Nr. 494
Siehe Zeichnung !
| Bestell-Nr. |
Kastenbreite A |
B |
C |
E |
F |
Materialdicke |
| 11163 |
30 mm |
94 mm |
172 mm |
24 mm |
33,5 mm |
2,5 mm |
| 14407 |
40 mm |
94,5 mm |
173 mm |
33 mm |
34 mm |
3 mm |