Für Holz- und Stahltüren und
Feuerschutzabschlüsse
Panikfunktion: Wechselfunktion E
Nach DIN EN 179
Funktion von innen: (Panikseite)
Die Tür hat innen einen Drücker. Durch Drückerbetätigung
werden Falle und der vorgeschlossene Riegel zurückgezogen.
Die Tür kann geöffnet werden.
Funktion von aussen:
Die Tür hat außen einen feststehenden Knauf. Falle und Riegel
können mit dem Schlüssel betätigt werden. Nach dem
Zuschlagen der Tür wird das Öffnen von außen durch die
Falle verhindert. Die Tür kann nur mit Hilfe des Schlüssels
geöffnet werden. Zum Öffnen der Tür wird durch Schlüssel-
betätigung die Falle mit Hilfe des Wechsels zurückgezogen.
Durch Schlüsselbetätigung kann die Tür zusätzlich
ver- und entriegelt werden.
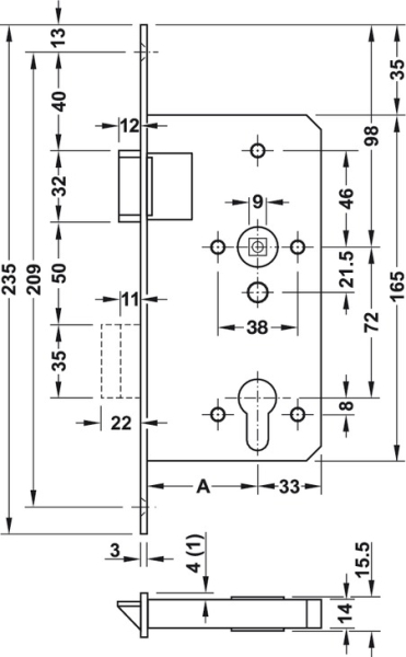
Standardausführung:
Dornmaß: 65 mm
Entfernung: 72 mm
Stulp: 20 bzw. 24 x 235 mm, Edelstahl
Schlosskasten: geschlossen, verzinkt
Falle: Stahl, vernickelt bzw. verzinkt
Riegel: Stahl, vernickelt bzw. verzinkt
Nuss: 9 mm, einteilig
Schließarten:
PZ: Zylinderschloß vorgerichtet für Profilzylinder, 2-tourig
Lieferbare Dornmaße:
55, 60, 65, 80, 100 - und andere auf Anfrage
Sonderausführungen:
- Verbundfalle
- Stulpanordnungen
- Elektrische Zustandsüberwachung